十大正规赌官方网站
十大正规赌官方网站
十大正规赌官方网站
长者版
登录
注册
政务新媒体矩阵
繁體
中国政府网
新疆政府网
站内
站外
搜索
导航切换
首页
十大正规赌官方网站
这就是克州
印象克州
克州文化
漫游克州
克州经济
县市名片
领导之窗
州长
吾肉孜阿力·哈西哈尔巴依
常务副州长
李晓斌
副州长
温光华
王斌
高俊青
阿尔达克·牙生
李林
艾斯克尔·阿布都维力
秘书长
张海滨
政务公开
政府信息公开
政府工作报告
政府会议
政府公报
文件
失效废止文件
人事任免
人大建议
政协提案
十大正规赌钱官方首页
州长信箱
在线访谈
调查征集
投诉举报
新闻发布会
回应关切
十大正规赌官方网站
十大正规赌官方网站“跨省通办”
统一“好差评”
统一咨询投诉
统一支付平台
跑零次清单
个人服务
法人服务
便民服务
数据开放
统计公报
月度经济数据
县市经济运行情况
当前位置:
首页
>
信息公开
>
克州农业农村局
>
农机补贴
> 正文
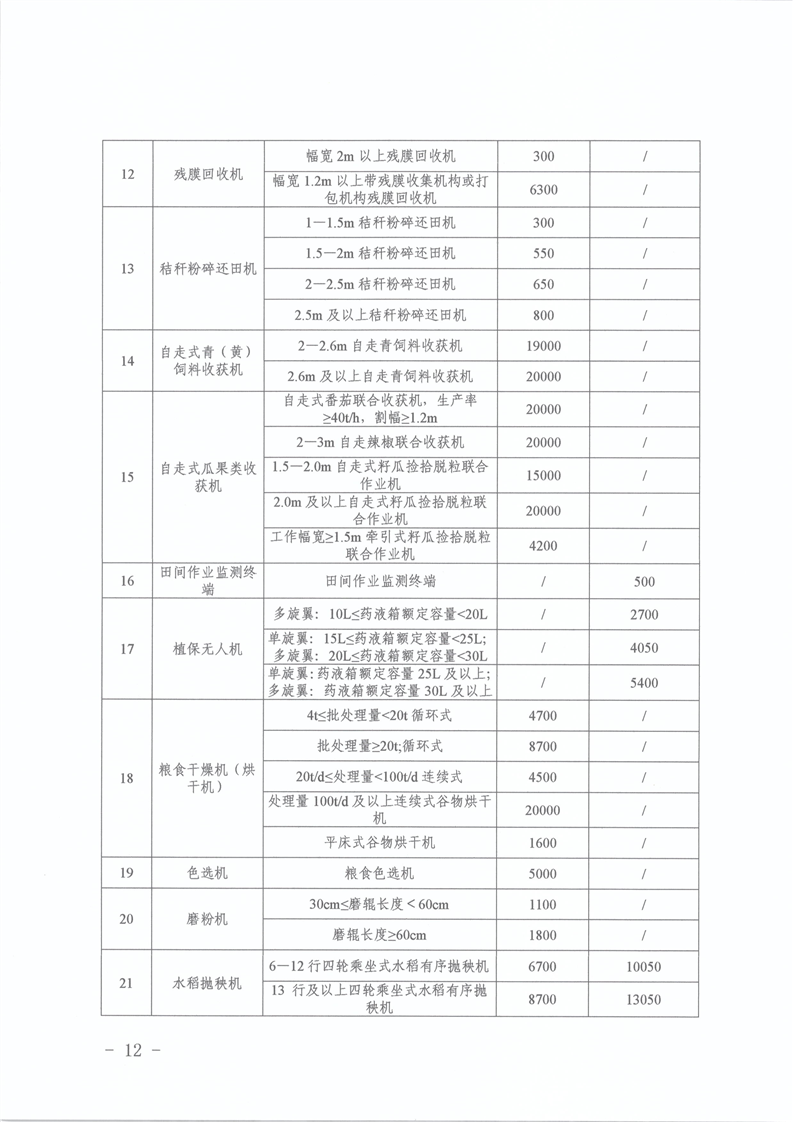
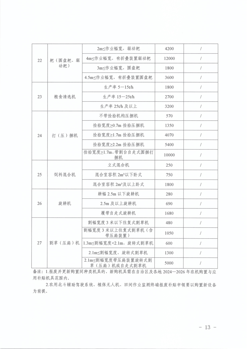
关于加大扩围实施好2025年农业机械报废更新补贴政策的通知
索 引 号
MB1988890/2025-00053
主题分类
名 称
关于加大扩围实施好2025年农业机械报废更新补贴政策的通知
成文日期
2025-05-19 20:19
发布日期
2025-05-28 19:50
文 号
〔〕号
有 效 性
发文单位
农业农村局
发布机构
农业农村局
分享:
打印本页
关闭窗口
解读文章
各县(市)网站
媒体
地州市政府
区政府部门
省区市政府
国家部委局
阿图什市
阿克陶县
乌恰县
阿合奇县
新华网
天山网
乌鲁木齐市
伊犁哈萨克自治州
塔城地区
阿勒泰地区
克拉玛依市
博尔塔拉蒙古自治州
昌吉回族自治州
哈密市
吐鲁番市
巴音郭楞蒙古自治州
阿克苏地区
喀什地区
和田地区
人社厅
财政厅
公安厅
交通运输厅
住建厅
自然资源厅
水利厅
农业农村厅
商务厅
教育厅
发改委
工业和信息化厅
卫生健康委员会
应急管理厅
文化和旅游厅
市场监督管理局
生态环境厅
统计局
气象局
乌鲁木齐海关
北京
上海
天津
重庆
江苏
山东
浙江
安徽
福建
江西
广东
广西
湖北
湖南
河南
黑龙江
吉林
辽宁
内蒙古十大正规赌钱官方首页
河北
山西
四川
贵州
云南
海南
西藏
陕西
甘肃
宁夏
青海
新疆
台湾
香港
澳门
人社部
工业和信息化部
商务部
住房和城乡建设部
教育部
交通运输部
农业农村部
自然资源部
民政部
公安部
财政部
水利部
卫生健康委员会
司法部
体育总局
外汇管理局
文物局
海洋局
发展和改革委员会
民族事务委员会
国有资产监督管理委员会
国家税务总局
生态环境部
国家市场监督管理总局
广播电视总局
中国民用航空局
中国气象局
海关总署
机关事务管理局
审计署
中医药管理局
MirrorElfR
网站镜像克隆
镜像站群
网站镜像克隆
镜像程序
开源整站镜像工具
小偷程序
蚂蚁超级镜像
镜像程序
>网站地图-sitemap